Naprej Skozi grede > Ustvarjanje znanosti

40

Elektronika

Dioda in usmernik – Fotodioda in fotopomnoževalka – Trioda in ojačevalec – Osciloskop – Oscilator – Radijska povezava – Brezžična telefonija – Razvoj radia – Televizija – Magnetni zapis – Radiosonde – Mikrovalovi – Radar – Sonar – Družbeni vpliv

40.1 Dioda in usmernik

Dioda

Vakuumska cev z žarilno nitko – dioda – je nov, zanimiv element, skozi katerega teče električni tok. Odvisnost tega toka od napetosti med obema priključkoma diode – njeno karakteristiko – določimo z drsnim baterijskim virom, voltmetrom in ampermetrom.

[Dioda] Slika 40.1 Dioda. Dioda je vakuumska cev z dvema elektrodama: vročo katodo (žarilno nitko) in hladno anodo. Prikazana je prva uporabna dioda, ki jo je sestavil J. Fleming. (Science Museum, London).

Karakteristika diode

Karakteristika diode je povsem drugačna, kot smo jo navajeni pri drugih električnih elementih – uporniku, tuljavi in kondenzatorju. Njena glavna značilnost je, da teče tok skozi diodo le v eni smeri: tedaj, ko je hladna elektroda, anoda, pozitivna glede na vročo elektrodo, katodo. Druga značilnost pa je, da tok ne narašča linearno z napetostjo, ampak se pri določeni napetosti ustali, postane nasičen.

[Karakteristika diode]

Slika 40.2 Karakteristika diode. Prikazan je tok skozi tipično diodo v odvisnosti od anodne napetosti glede na katodo pri različnih temperaturah žarilne nitke. Pri višjih temperaturah je nasičeni tok večji. Neposredno segrevana (polna) in posredno segrevana (črtasta) nitka. (Meadows, 1978)

Delovna točka diode

Karakteristika pove, kakšen je tok I skozi diodo, ko med njenima priključkoma vlada napetost UD, torej f(UD) (1). Če z baterijo UDD poganjamo tok skozi zaporedno zvezana upornik R in diodo, pa napetost med priključkoma diode ni enaka napetosti med priključkoma baterije, ker nekaj napetosti vlada tudi med priključkoma upornika. Vsota padcev napetosti po krogotoku je enaka gonilni napetosti UDD = IR + UD, torej UD = UDDIR oziroma I = (UDDUD)/R (2). Enačbi (1) in (2) za dve neznanki UD in I rešimo grafično. Enačba (2) je namreč delovna premica, ki seka ordinato pri UDD/R in absciso pri UD = UDD. Njeno presečišče z narisano f(UD) pove napetost na diodi in tok skoznjo, to je njeno delovno točko.

[Delovna točka]

Slika 40.3 Delovna točka diode. Delovna točka je dvojica (I, UD), to je tok skozi diodo in napetost na njej. Dioda je prikazana s trikotnim simbolom. Elektroni tečejo skozi diodo od priključka () do priključka (+). (Anon)

Polovični usmernik

Če diodo priključimo na izmenično napetost, bo prepuščala tok le tedaj, ko bo napetost na anodi pozitivna. Prepuščeni tok bo torej utripajoče enosmeren: vseboval bo samo pozitivne vhodne polvalove. Na izhodnem uporniku bo zato ustvarjal utripajočo enosmerno napetost. Tok lahko zgladimo, če vzporedno k izhodnemu uporniku priključimo kondenzator. Kadar bo vanj dotekal tok, se bo polnil, ko pa bo tok presahnil, se bo praznil skozi upornik. Praznitveni čas kondenzatorja mora biti dolg v primerjavi z nihajnim časom izmeničenaga toka.

[Diodni usmernik]

Slika 40.4 Polovični diodni usmernik. Gretje diode in napetost na njej zagotavlja vhodni transformator. Izglajevalni kondenzator, vzporeden izhodnemu uporniku RL, ni narisan. (Schure, A.)

Polni usmernik

Usmernik izboljšamo s središčnim odcepom iz transformatorja in z dodatkom druge diode. Tok skozi izhodni upornik zato vsebuje pozitivne polvalove in obrnjene negativne polvalove. Izglajevalni kondenzator tok še bolj zgladi.

[Diodni usmernik]

Slika 40.5 Polni diodni usmernik. Gretje diod ni prikazano. Izglajevalni kondenzator, vzporeden izhodnemu uporniku, ni narisan. (NEETS)

Elektrifikacija je pripeljala izmenični tok iz elektrarn v vse hiše in raziskovalne laboratorije. Z usmernikom smo sedaj dobili v roke še orodje, kako iz tega izmeničnega vira dobiti enosmere vire, tako nizke kot visoke. Zlasti slednje je nadvse pomembno: ni nam treba več graditi 1000-voltnih baterij, ampak uporabimo kar ustrezen transformator in usmernik. Za velike napetosti in tokove morajo biti seveda diode primerno zgrajene. Z visokonapetostnimi usmerniki nekaj deset kilovoltov poganjamo katodne cevi in masne spektrometre. Z nizkonapetostnimi pa polnimo akumulatorje.

40.2 Fotodioda in fotopomnoževalka

Morda lahko izbijamo elektrone iz katode tudi s svetlobo, ne le z gretjem? Saj svetloba nosi s sabo energijo. Potem katode ni treba greti, ampak jo le osvetljujemo. Poskus pokaže, da to drži, če je le katoda iz primerne snovi, recimo iz cezijevega antimona Cs3Sb. To je fotodioda.

Fotodioda

[Fotodioda]

Slika 40.6 Fotodioda. Svetloba vpada na katodo in iz nje izbija elektrone. Te elektrone sproti srka anoda in s tem omogoča električni krogotok. (Anon)

Karakteristika fotodiode je podobna karakteristiki termične diode. Pri dovolj veliki pozitivni napetosti na anodi ta posrka vse izbite elektrone: tok je nasičen. Odlična lastnost pa je odvisnost tega nasičenega toka od osvetlitve: pri stalni anodni napetosti (in stalnem spektru svetlobe) je tok kar sorazmeren z osvetljenostjo.

[Karakteristika fotodiode]

Slika 40.7 Karakteristika fotodiode. Dodana je delovna premica za gonilno napetost 150 V in delovni upor 10 MΩ. Tok je sorazmeren z osvetlitvijo. Osvetlitev je podana v lumnih: 1 lm = 1/680 W za svetlobo 5500 Å. (Strojnik, 1962)

Delovno premico in delovno točko fotodiode izberemo po že znanem postopku. Na sliki je prikazan primer, ko sta dioda in zaporedni upornik 10 MΩ priključena na napetost 150 V. V temi ni toka in napetost na diodi znaša 150 V. Pri osvetlitvi 0,1 lumna steče tok 2 μA in napetost na diodi pade na 130 V. Linearna odvisnost toka od osvetlitve velja vse do osvetlitve 0,5 lm, ko doseže tok 10 μA in pade napetost na diodi na 50 V.

Fotopomnoževalka

Ko vpadejo hitri elektroni na anodo, v njej poniknejo, hkrati pa – taka misel se nam porodi – morda iz nje izbijejo sekundarne elektrone. Čim hitrejši so vpadni elektroni, tem več sekundarnih izbijejo. Morda pride na en vpadni elektron, v povprečju, celo več sekundarnih. Te potem anoda spet posrka vase. Kaj pa, če bi te elektrone posrkala kakšna dodatna, bližnja elektroda? Potem bi na njo dotekal večji tok, kot ga daje fotokatoda. Seveda nam nič ne brani, da zaporedoma vključimo celo več dinod, ki druga drugi jačajo tok, in tako dobimo fotopomnoževalko. Poskus pokaže, da je domneva pravilna.

[Fotopomnoževalka]

Slika 40.8 Fotopomnoževalka. Iz katode izbiti elektroni se pospešujejo proti zaporednim dinodam in iz njih izbijajo sekundarne elektrone. Nastane plaz elektronov. (Florida State University)

Primerna snov za dinode je kar taka, kot je za katodo. Vsaka naslednja dinoda je na bolj pozitivni napetosti od predhodne, tipično za 100 V. Uspe nam nanizati do deset zaporednih dinod in pridelati ojačanje toka za faktor 106!

Fotodiode in fotopomnoževalke uporabljamo, na primer, za merjenje svetlobnih spektrov.

40.3 Trioda in ojačevalec

Trioda

Na tok, ki teče skozi termično diodo, lahko vplivamo z zunanjim magnetnim ali električnim poljem. Tok takorekoč krmilimo. Pojavi se zamisel, kako bi tok krmilili bolj nadzorovano: tako, da med žarilno nitko in ploščo vstavimo še eno elektrodo v obliki prepustne mrežice. Ko na mrežico pritisnemo negativno napetost glede na žarilno nitko, tok elektronov bolj ali manj zavremo, odvisno od velikosti pritisnjene napetosti. Izumili smo triodo.

[Trioda] Slika 40.9 Trioda – dioda z dodano tretjo elektrodo, mrežico, med vročo katodo in anodno. Prikazana je prva trioda, ki jo je sestavil L. Forest. (Perham Collection, San Jose)

Karakteristika triode

Odvisnost anodnega toka od anodne napetosti – pri izbrani vrednosti žarilnega toka in pri različnih vrednostih mrežične napetosti – izmerimo z ampermetrom in voltmetrom. Pri mrežični napetosti 0 V se trioda kaže kot dioda s pripadajočo tokovno krivuljo. Čim bolj negativna je mrežična napetost, tem bolj dušena je ta tokovna krivulja.

[Karakteristika triode] Slika 40.10 Karakteristika triode: tok skozi triodo v odvisnosti od anodne napetosti pri različnih mrežnih napetostih, obakrat glede na katodo. (Meadows, 1978)

Ojačanje signalov

Poglejmo, kaj pravi narisana karakteristika triode! Naj bo anodna napetost 160 V in mrežna napetost −5 V. Tedaj teče skozi anodo tok 7 mA. To je delovna točka triode. Pri nespremenjeni anodni napetosti nato spremenimo mrežno napetost na −7.5 V. Tok se zmanjša na 3 mA. Na 3 mA pa bi se znižal tok tudi pri nespremenjeni mrežni napetosti in zmanjšanju anodne napetosti na 120 V. Vidimo, da na spremembo toka enako vpliva majhna sprememba mrežne napetosti za 2,5 V ali velika sprememba anodne napetosti za 40 V. Če je v anodnem krogu upornik, so spremembe napetosti na njem sorazmerne s spremembami toka skozenj. Mrežna sprememba za 2,5 V se zato na uporniku pokaže kot sprememeba za 40 V – oboje glede na izbrano delovno točko triode, seveda. Rečemo, da je trioda ojačevalec. V obravnavanem primeru ima ojačanje 40/2,5 = 16. Tipična ojačanja znašajo med 10 in 100.

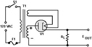
Ojačevalec z mrežno baterijo

Z zadovoljstvom torej ugotovimo, da smo izumili ojačevalec signalov.

[Ojačevalec] Slika 40.11 Triodni ojačevalec. Vhodna sprememba napetosti glede na mrežično napetost Ug se odraža kot sprememba anodnega toka skozi breme RL in s tem povezana sprememba padca napetosti na njem. Grelna baterija ni narisana. (Meadows, 1978)

Ojačevalec brez mrežne baterije

Triodni ojačevalec potrebuje za svoje delovanje tri baterije: grelno, mrežično in anodo. To ni praktično. Namesto da znižamo mrežično napetost glede na katodo, lahko zvišamo katodno napetost glede na mrežico. To naredimo z upornikom Rk v katodnem priključku: anodni tok IA gre skozenj in na njem povzroči potrebni padec napetosti RkIA. Vendar tok skozi Rk niha, kar ni dobro, ker želimo na mrežici imeti konstantno referentno napetost. Zato vzporedno k Rk vključimo še kondenzator Ck z visoko kapaciteto (in zato nizko kapacitivno upornostjo), ki nihajočo komponento toka "kratkostično" speljuje mimo upornika. Preostali dve bateriji – anodno in grelno – pa lahko nadomestimo z odcepi iz ustreznega usmernika.

[Ojačevalec] Slika 40.12 Triodni ojačevalec brez mrežne baterije. Negativno napetost mrežice glede na katodo zagotavlja padec napetosti na uporniku Rk. Anodna baterija ni prikazana; priključena je med +HT in ozemljitvijo. (Lythall, H.)

Elektronski voltmeter

Dioda kot usmernik se ponuja kot naravna vhodna enota za voltmeter na tuljavo. Ta, kot vemo, meri le enosmerno napetost. Hitro nihajoči napetosti namreč tuljava ne more slediti. Če pred njim vključimo usmernik, pa postane tudi merilnik za izmenično napetost.

Merjenje šibkih napetosti si nadalja olajšamo z vključitvijo triode kot ojačevalca: namesto merilnika s tuljavo na tanki sučni žici lahko potem uporabimo robusten merilnik s tuljavo na spiralni vzmeti. V praktičnem elektronskem voltmetru uporabimo oboje: usmernik in ojačevalec.

[Elektronski voltmeter]

Slika 40.13 Elektronski voltmeter za izmenično napetost. Sestavljen je iz usmernika (s filtrom R2-C2), ojačevalca in elektrometra na vrtljivo tuljavo. Merilna območja izbiramo s preklopnim delilcem napetosti R3-R5. Ničelno točko elektrometra prilagajamo s potenciometrom R6. (Rider, J.)

Elektronski voltmeter kalibriramo z znanimi enosmernimi napetostmi. Kar potem kaže, so efektivne vrednosti izmeničnih napetosti. Uporabljamo ga prav tako kot navadnega. Paziti pa moramo na potovanje ničelne točke na mrežici, kar je predvsem posledica nehotenih sprememb v ogrevni napetosti. Zato moramo pred vsako meritvijo po potrebi prilagoditi delovno točko ojačevalca z ustreznim potenciometrom.

40.4 Osciloskop

Delovanje

Tudi katodna cev je voltmeter: navpični odmik žarka na zaslonu je sorazmeren z napetostjo na odklonskem kondenzatorju (39.3). Žarek ima vlogo kazalca. Reagira bliskovito, ne tako kot kazalec tuljavnega elektrometra. Z njim torej lahko rišemo hitro spreminjajoče se napetosti, na primer omrežno napetost 50 Hz. Žal pa tega nihanja ne razločimo, saj se premika žarek vedno po isti navpični črti. Kaj pa, če bi se žarek med navpičnim nihanjem premikal še vodoravno? Potem bi na zaslonu narisal časovni potek vhodne napetosti! To bi bilo možno, če bi napetost na vodoravnem odklonskem kondenzatorju naraščala linearno med U0 in +U0 v nastavljivem času t0, sprožila pa bi se točno takrat, ko bi vhodni signal presegel nastavljivo vrednost Utrig, recimo od spodaj navzgor. V času t0 (ko žarek potuje preko zaslona), bi morali biti onemogočeni vsi morebitni novi prožilni zahtevki. Po preteku tega časa pa bi bilo proženje spet omogočeno. Potrebujemo torej časovno krmilno vezje, ki bo iz katodne cevi naredilo osciloskop. Z mnogo truda nam takšno vezje uspe sestaviti in sicer zgolj iz že poznanih električnih elementov. Vezje je zamotano, zato podrobnosti izpustimo.

[Osciloskop]

Slika 40.14 Shema osciloskopa. Ko vhodni signal doseže predpisano vrednost, ustvari sprožilno vezje oster signal, ki aktivira vodoravno premikanje žarka. Na zaslonu se nariše časovni graf vhodnega signala. Kasnilno vezje poskrbi, da signal ne dospe do navpičnih plošč, preden se začne vodoravno premikanje žarka. (CircuitsToday)

Dobri osciloskopi imajo navpično občutljivost 1 mV na cm in dosegajo vodoravni preletni čas 1 μs na cm.

Meritve zvoka

Z osciloskopom lahko gledamo vsak časovno spremenljiv pojav, če ga le znamo spremeniti v električni signal. Tako gledamo zvok. Ni treba drugega, kot da na navpični odklonski kondenzator vodimo signal iz primernega mikrofona. Tako si lahko ogledamo, kako nihajo razna zvočila, recimo struna na violini.

[Nihanje strune] Slika 40.15 Nihanje strune na violini, kot ga pokaže osciloskop. Na osnovni sinusni val so naloženi višji harmoniki. Struna niha z osnovno frekvenco 440 Hz. (Humboldt University)

Merjenje srčnih tokov

Že od poskusov z žabjimi kraki vemo, da se mišice krčijo pod vplivom pritisnjene električne napetosti. To nas tudi navaja na misel, da je krčenje živih mišic posledica električnih signalov, ki vanje prihajajo po živcih iz možganov in hrbtenjače. Posebej očitno je nenehno krčenje srčne mišice. Morda lahko z osciloskopom vidimo električne tokove, ki krčenje spremljajo?

Ravnamo takole. Na vsaki strani prsnega koša pritrdimo kovinsko elektrodo v obliki kovanca in ju preko ojačevalca vežemo na osciloskop. Upamo, da se ionski tokovi iz srca širijo od celice do celice v okolico vse do površine kože. Tam jih upamo zaznati z obema elektrodama. Uspe nam, vendar šele s primerno zgradbo elektrod. Dobra elektroda je srebrn disk, ki je na prikožni strani prevlečen s tanko plastjo srebrovega klorida. Med elektrodo in kožo je potrebna še prevodna plast, ki vsebuje klorove ione, recimo kar slana voda, ki jo zmešamo z vazelinom, da postane lepljiva pasta.

[Kardiogram] Slika 40.16 Srčni tok na zaslonu osciloskopa. Vidna sta dva srčna utripa na medsebojni razdalji ∼ 1 sekunde. (University of Michigan)

Preletni čas osciloskopa nastavimo na nekaj sekund. Izmerjeni srčni signali imajo stopnjo velikosti 1 mV. Iz njihove oblike sklepamo na morebitne bolezni. Podobno merimo tudi možganske tokove.

40.5 Oscilator

Povratna zveza

Na triodni ojačevalec lahko pogledamo kot na črno škatlo z dvema vhodnima in dvema izhodnima priključkoma. Izmenična napetost Us med vhodnima priključkoma se kaže kot napetost U0 med izhodnima priključkoma. Razmerje A = U0/Us poimenujemo napetostno ojačanje. Pri triodnem ojačevalcu je izhodna napetost fazno zamaknjena za 180° glede na vhodno, zato je ojačanje negativno.

Kako pa se ojačevalec vede, če del njegovega izhoda speljemo nazaj na vhod, recimo preko uporovnega delilca? Rečemo, da smo ustvarili povratno zvezo. Vrnjeni signal se sešteva s siceršnjim vhodnim signalom in ga ojača ali oslabi, pač odvisno od tega, kakšen je fazni zamik vračanega signala. Rečemo, da je povratna zveza pozitivna li negativna.

[Povratna vez]

Slika 40.17 Ojačevalec s povratno vezjo. Del izhodnega signala se vodi nazaj na vhod skozi povratno vezje, recimo skozi uporovni delilnik. Tam se zaporedno pridruži siceršnjemu vhodnemu signalu. (Meadows, 1978)

Nova izhodna napetost je U'0. Vrača se njen del βU'0. Sestavljeni vhod je potem Ui = Us + βU'0. To je napetost, ki jo ojačevalec vidi na svojem vhodu in jo seveda ojača v U'0 = AUi = A(Us + βU'0), iz česar sledi U'0 = AUs / (1 − Aβ) oziroma Af = U'0/Us = A/(1 − Aβ). Oznaka Af pomeni ojačanje ob uporabi povratne vezi. Če pri triodnem ojačevalecu z A = −50 vračamo, na primer, β = 0,01 izhodne napetosti preko uporovnega delilca (kar ne vpliva na fazo), znaša Af = −33. Ojačanje se zmanjša. Povratna zveza je negativna.

Zakaj bi sploh uporabili negativno povratno zvezo, če pa zmanjšuje ojačanje? Zato, ker so relativne spremembe Af dosti manjše od relativnih sprememb A, ki jih povzročajo. Če je A zelo velik, je namreč βA mnogo večji od 1 in Af ≈ −1/β, torej neodvisen od sprememb A. Negativna povratna zveza zato stabilizira ojačanje. Vezje postane manj občutljivo na spremembe v napajalni napetosti, temperaturi, vhodni frekvenci in drugem. Če potrebujemo večja ojačanja, pa zmeraj lahko zaporedno združimo dve ali več ojačevalnih stopenj.

Oscilator

Posebno zanimiva povratna vez v ojačevalcu nastane, ko Aβ = 1. Takrat je Af = . To pomeni, da se na izhodu pojavlja znatna napetost tudi tedaj, ko na vhod sploh ne vodimo zunanje napetosti. Ko namreč prižgemo ojačevalec, se v njem vzpostavijo stalni tokovi in napetosti ter ojačevalec postane sposoben ojačevanja. Superponirane na te stalne vrednosti so majhne fluktuacije različnih frekvenc: električni šum. Ta šum spravlja ojačevalec v nihanja z različnimi frekvencami. Prevladajo tiste frekvence, pri katerih je celotni fazni zamik signala od vhoda do izhoda in nazaj skozi povratno vez enak 360°. Ojačevalec s kritično ali pozitivno povratno vezjo postane oscilator.

[Oscilator]

Slika 40.18 Ojačevalec s pozitivno povratno vezjo kot oscilator. Nihajni krog na izhodu določa frekvenco osciliranja. Povratna vez je izvedena z indukcijskim sklopom dveh tuljav. (Meadows, 1978)

Da iz "razglašeno" nihajočega ojačevalca dobimo željeno frekvenco, ga je treba opremiti z vezjem, ki to frekvenco izbira. To je seveda nihajni krog. Nihajni krog predstavlja breme na izhodu iz ojačevalca. Povratno vez ustvarimo z induktivno povezavo na njegovo tuljavo. Nihajni krog, delujoč pri svoji lastni frekvenci, tudi zagotovi dodatni fazni premik za 180°, kar je pogoj za ojačevanje.

Triodni oscilator

Praktična izvedba triodnega oscilatorja je prikazana na spodnji sliki.

[Oscilator]

Slika 40.19 Triodni oscilator – triodni ojačevalec z nihajnim krogom na izhodu in v pozitivni povratni vezi. Za negativno napetost mrežice glede na katodo poskrbita CG in RG. Podobno vezje je prvi sestavil E. Armstrong. (Meadows, 1978)

Negativno delovno napetost na mrežici lahko zagotovimo z baterijo v mrežičnem krogotoku. Bolj praktično pa je, da jo poskušamo potegniti iz obstoječih virov. To nam uspe z elementoma RG in CG. Pri vključitvi in vzpostavljanju nihanja se namreč zgornja plošča CG naelektri negativno glede na katodo (podrobnosti so zapletene in jih izpustimo). Če je RGCG večji od nihajnega časa, se CG ne izprazni bistveno med enim polnihajem povratne napetosti in se obnovi nazaj med drugim. Kondenzator potemtakem deluje kot enosmerna baterija.

Nihajni čas oscilatorja določimo z izbiro kondenzatorja C in tuljave L. Lahko ga pa tudi zvezno spreminjamo z uporabo spremenljivega kondenzatorja. Brez večjega truda so dosegljive frekvence od 10 Hz do 10 MHz. Vsa ta nihanja lepo vidimo na osciloskopu.

Kristalni oscilator

Frekvenca oscilatorja je občutljiva na razne spremembe v vezju, predvsem na temperaturo in ogrevno napetost. Povratna zveza nič ne pomaga, saj verno sledi frekvenci nihajnega kroga. Kako pa bi stabilizirali ta občutljivi nihajni krog? Tako, da ga nadomestimo z neobčutljivim. Seveda je to le leporečje: iskano stvar moramo še najti.

Spomnimo se piezolektričnosti kremenovega kristala [39.1]: ko ga stisnemo, se na njem pojavi napetost; in ko nanj priključimo napetost, se stisne. Izmenična napetost zato kristal spravi v nihanje in to tem močnejše, čim bliže je lastni frekvenci kristala. Kristal s priključenima elektrodama je torej resonator, ki iz skozenj tekočega toka izbira/ojačuje svojo lastno frekvenco. Nihajni krog zato nadomestimo s primerno obrezanim kristalom in s tem izumimo kristalni oscilator.

[Kvarčni oscilator]

Slika 40.20 Kristalni triodni oscilator. Frekvenca nihanja je določena z lastnim nihanjem kristala. Negativno delovno napetost na mrežici zagotavljata Rk in Ck. Prikazano je vezje, kakršnega je sestavil G. Pierce. (Lynthall, H.)

Pokaže se, da je kristalni oscilator še mnogo stabilnejši od navadnega. V glavnem čuti le (majhen) vpliv temperaturnih sprememb, čemur pa – če je potrebno – zlahka odpomoremo z vzdrževanjem stalne okolišnje temperature. Kristali, ki jih režemo iz kremena, omogočajo nihanja med 10 kHz in 100 MHz. Vidimo jih na osciloskopu.

40.6 Radijska povezava

S triodnim oscilatorjem dobimo v roke vir nedušenega visokofrekvenčnega nihanja, potrebnega za tvorbo radijskih valov z dolžino nad nekaj deset metrov [38.8]. Ni treba drugega, kot da primerno dolgo navpično žico preščipnemo in oba središčna konca vtaknemo v izhod iz oscilatorja. Spodnjo žico ozemljimo. Žica tako postane nihajoča dipolna antena, ki seva radijske valove v prostor.

Kako naj zaznamo te valove? Z drugo anteno! V njej se inducira izmenični tok s frekvenco vpadajočih valov. Sprejemno anteno v sredini preščipnemo in vtaknemo v vhod diodnega usmernika, ki visokofrekvenčni izmenični tok zgladi v enosmernega. Na izhodu pa priključimo galvanometer.

[Radijski valovi]

Slika 40.21 Oddajnik in sprejemnik radijskih valov.

Poskrbimo še za nekaj izboljšav. Za večjo moč sevanja priključimo na izhod oscilatorja najprej ojačevalec in šele na njegov izhod oddajno anteno. Slednje tudi ne priključimo neposredno, ampak preko induktivnega stika. Prav tako, preko induktivnega stika, priključimo sprejemno anteno na usmernik. V anodni krog oddajnega ojačevalca vgradimo stikalo. Ko stikalo pritisnemo, se sprejemni galvanometer odkloni. Vzpostavili smo radijsko povezavo!

40.7 Brezžična telefonija

Radijska povezava med oddajnikom in sprejemnikom je "nesnovna žica", ki povezuje oba kraja. Poskusimo vanjo vtisniti govor in ga iz nje tudi izvleči! Drugače rečeno: vzpostaviti hočemo brezžično telefonijo.

Radijski oddajnik

Prilagoditev oddajnika za telefonsko uporabo je preprosta: dodati mu moramo le mikrofon in poskrbeti, da bo ustrezno vplival na jakost izsevanih valov.

[Priključitev mikrofona]

Slika 40.22 Priključitev mikrofona v anodni krog izhodnega ojačevalnika. Mikrofonski tok je pred vključitvijo ojačan s svojim ojačevalnikom. T1 = vhod iz oscilatorja, T3 = izhod v anteno, T2 = induktivni priključek mikrofona. (NEETS)

Najbolje je, če mikrofon vključimo v anodni krog izhodnega ojačevalnika, in sicer zaporedno k tamkajšnjem viru visoke napetosti. To naredimo preko induktivnega stika. Anoda potem čuti vektorsko vsoto obeh virov – gonilnega enosmernega in mikrofonovega spremenljivega. Temu ustrezno se spreminja jakost anodnega toka in s tem jakost izhodnega valovanja. Sestavili smo radijski oddajnik.

Diodni sprejemnik

Prilagoditev sprejemnika – diodnega usmernika – je tudi preprosta: namesto izhodnega galvanometra namestimo primerne slušalke. Upoštevati pa moramo še naslednje. Na anteno vpadajo radijski valovi iz različnih oddajnikov, in ti valovi se med seboj razlikujejo po nosilni frekvenci. V anteni se seveda inducira "mešanica" teh frekvenc. Anteno zato priključimo na nihajni krog. Ta iz vhodnega nihanja "pobere" svojo lastno frekvenco. Nastavimo jo s spremenljivim kondenzatorjem. Tako izbiramo med različnimi oddajniki. Izhod iz nihajnega kroga pa vodi potem na diodni usmernik (Fleming).

[Diodni sprejemnik]

Slika 40.23 Diodni sprejemnik. Pri piezoelektričnih slušalkah (kapacitivno breme) je upornik R1 potreben in kondenzator C2 pogrešljiv. Pri magnetnih slušalkah je kondenzator C2 potreben in upornik R1 pogrešljiv. (Nagy, K.)

Opisani diodni sprejemnik dobro deluje, če je antena dolga in visoko obešena in če oddajna postaja ni predaleč. Uspešno ga uporabimo na ladjah.

Triodni sprejemnik

Z diodnim sprejemnikom ne slišimo šibkih signalov. Saj dioda signal le zgladi in ga nič ne ojača. Lahko pa diodo nadomestimo s triodo in tako sestavimo triodni sprejemnik (Forest).

[Triodni sprejemnik]

Slika 40.24 Triodni sprejemnik. Mrežica nima prednapetosti, zato hkrati ojačuje in usmerja anodni tok. S kondenzatorjem C1 nastavljamo sprejemno frekvenco. Kondenzator C2 blokira enosmerno napetost. Upornik R1 odvaja zajete elektrone iz mrežice. Kondenzator C3 je obvod signala mimo visokoupornih slušalk. Reostat R2 nastavlja gretje katode. (Nagy, K.)

Vhodni signal zdaj vodimo na mrežico triode in z njim krmilimo anodni tok. Na mrežici ni negativne prednapetosti. Tok zato ojačano, vendar usmerjeno zaniha. Zgladimo ga na izhodnem kondenzatorju, kjer ga tudi poslušamo s slušalkami. Triodni sprejemnik je precej bolj občutljiv od diodnega in ga uspešno nadomesti na ladjah.

40.8 Razvoj radia

Radijski prenos zvoka je tako obetaven izum, da se okrog njega razvije celotna veja industrije. Ustanovijo se posebne firme za proizvodnjo in prodajo radijskih oddajnikov in sprejemnikov ter njihovih sestavnih delov. Firme ustanavljajo svoje raziskovalne oddelke, ki nenehno izboljšujejo svoje izdelke. Ti postajajo zato čedalje bolj zapleteni. Vsi pa si delijo isto funkcionalno osnovo.

Oddaja in sprejem

Osnova radijskega prenosa zvoka je naslednja: oddajnik proizvaja in seva nosilni radijski val, na katerega naloži avdio signal, sprejemnik pa ga sprejema in iz njega ta avdio signal izvleče. Govorimo o tvorjenju, modulaciji, izsevanju, sprejemu in demodulaciji radijskih valov.

[Radijski oddajnik]

Slika 40.25 Oscilator proizvaja nosilno radijsko valovanje, modulator ga modulira z avdio signalom iz mikrofona, ojačevalec ojača in antena izseva. Vir električnega napajanja ni prikazan. (Lowe, D.)

[Radijski sprejemnik]

Slika 40.26 Shema radijskega sprejemnika. Antena sprejema modulirane radijske valove različnih frekvenc (od različnih oddajnikov), uglaševalec izbere eno frekvenco, detektor jo demodulira, ojačevalec ojača in zvočnik spremeni v zvočne valove. Vir električnega napajanja ni prikazan. (Lowe, D.)

Oscilator v oddajniku vsebuje bodisi nihajni krog ali kristal. Slednji zagotavlja večjo frekvenčno stabilnost. To pomeni, da oddajne postaje lahko delujejo na bližnjih frekvencah, saj se nobena ne spreminja znatno in ne zaide v frekvenčno območje sosede. Vsak oddajnik deluje na svoji frekvenci. Sprejemniki pa se uglasijo na tistega, ki jih zanima.

Mešalna frekvenca

Da lahko lovijo šibke signale, dobijo radijski sprejemniki več zaporednih ojačevalnih stopenj. Pri uglaševanju na izbrano postajo je zato treba nastaviti vsako stopnjo. Vse stopnje morajo torej biti nastavljive. To je nepraktično. Pojavi se zamisel, da bi različne vhodne frekvence najprej pretvorili v isto "mešalno" frekvenco, nakar bi vse ojačevalne stopnje delale samo z njo. Rešitev je skrita v naslednjem matematičnem izreku: produkt dveh sinusoid s frekvencama f1 in f2 je sorazmeren z vsoto dveh sinusoid s frekvencama f1 + f2 in f1f2. Potrebno je torej sestaviti "mešalec frekvenc". Njegova vhoda sta dva: sprejemana frekvenca RF in nastavljiva frekvenca LO, izhod pa frekvenca IF = |RMLO|. Kot dobrim inženirjem nam to tudi uspe, in sicer kar iz nekaj diod, kondenzatorjev in tuljav. Ko hočemo, na primer, s sprejemnikom IF = 30 kHz poslušati frekvenco RM = 100 kHz, nastavimo LO = 70 kHz.

Modulacija

Glavna kvalitativna razlika med radijskimi sistemi je način, kako modulirajo nosilni val. Temu lahko spreminjamo amplitudo ali frekvenco, odvisno pač od tega, kje in kako v vezje uvedemo avdio signal.

[Modulacija valov]

Slika 40.27 Modulacija radijskih valov. Amplituda ali frekvenca nosilnega visokofrekvenčnega vala je modulirana z nizkofrekvenčnim avdio signalom. Prikazan je monofrekvenčni avdio signal. (Anon)

Vsaka vrsta modulacije seveda zahteva ustrezen način demodulacije.

Lastnosti radijskih valov

Nosilni radijski valovi imajo frekvence med 100 kHz in 100 MHz (3 km – 3 m). Zaradi priročnosti jih razdelimo na dolge valove (∼ 100 kHz), srednje valove (∼ 1 MHz), kratke valove (∼ 10 MHz) in zelo kratke valove (∼ 100 MHz). Izkušnje z oddajanjem in sprejemanjem teh valov pokažejo naslednje.

Dolgi valovi se večinoma širijo od antene kot prizemni valovi, to je, kot valovi med dvema vzporednima vodnikoma: zemljinim površjem in ozračjem. Električno polje v valovanju je usmerjeno navpično in magnetno vodoravno. Morje je bolj prevodno kot kopno in valovi se čezenj bolje širijo. Valovi se tudi močno uklanjajo okrog ovir in zato ne delajo senc.

Zelo kratki valovi se širijo "premočrtno", tako kot vidna svetloba. V dani smeri pada njihova energijska gostota s kvadratom razdalje. Okrog ovir se slabo uklanjajo in delajo za njimi sence. Radijski sprejem je zato mogoč le tedaj, če je oddajnik v vidni črti od sprejemnika. Seveda pa pomagajo odboji od tal in okolišnjih ovir.

Srednji in kratki valovi se širijo na vmesen način. Posebej zanimivo je, da se odbijajo od zgornje, ionizirane plasti ozračja; rečemo ji ionosfera. Odboj je močnejši ponoči. Očitno ima pri tem svoje prste vmes Sonce, ki s svojimi žarki tako ali drugače ionizira ozračje. Zaradi odboja se doseg oddajnika podaljša.

Vsi radijski valovi se močno absorbirajo na kovinskih ovirah, nekovinske pa bolj ali manj predirajo. Temu ustrezno morajo biti nameščene tudi sprejemne antene.

Tehnične lastnosti

Zakaj sploh uporabljamo tako visoke frekvence za nosilni val? Zato, ker njihovo hitro spremenljivo elektromagnetno polje inducira v sprejemni anteni mnogo večje tokove, kot bi jih nizke frekvence. Inducirana napetost v zanki je namreč sorazmerna s spremembo magnetnega pretoka skoznjo, torej s frekvenco nihanja. Brez visokih frekvenc bi bil uporabni doseg oddajnikov zanemarljiv.

Moči zgrajenih radijskih oddajnikov so odvisne od tega, kako daleč želimo z njimi poseči. Segajo od 1 W do 1 MW. Slednji imajo več zaporednih ojačevalnih stopenj in njihove elektronke so velike kot človek. Taka elektronka pokuri samo za gretje 10 kW, zato jih je treba hladiti z zrakom ali celo z vodo.

Radijski sprejemniki zaznavajo in demodulirajo še moči 10−12 W. V ugodnih pogojih z njimi slišimo dolgovalovne oddajnike z nasprotne strani Zemlje.

Zakaj pa uporabljamo dve vrsti modulacije, amplitudno in frekvenčno? Najprej je bila razvita amplitudna modulacija. Pri uporabi se je potem pokazalo, da sprejemnik včasih šumi in prasketa. Signal na vhodu v sprejemnik je namreč vedno superponiran z motnjami iz okolice, recimo od razelektritev v ozračju. Te motnje vplivajo v glavnem na amplitudo signala. Če modulacijo skrijemo v frekvenco, ne v amplitudo, postanejo motnje brezpredmetne. To je tudi glavni razlog za razvoj in uvedbo frekvenčne modulacije tam, kjer potebujemo večjo čistost sprejema.

Uporabna vrednost

Prve radije uporabimo za razpošiljanje časovnih signalov iz astronomskih centrov. Z njimi nastavljamo čas na kronometrih povsod po svetu, zlasti na ladjah.

Ladje sporočajo svojo lego in usklajujejo gibanje z drugimi ladjami. Ko so v stiski, pa pokličejo na pomoč.

Vremenske opazovalnice na kopnem in na ladjah sporočajo vremenske podatke – tlak, temperaturo, vlago, veter in oblačnost – v meteorološke centre. Ti centri pa potem razpošiljajo vremenska obvestila in napovedi.

[Radio v hiši] Slika 40.28 Radijski sprejemnik v hiši. Prvi sprejemniki so bili dragi in privoščili so si jih lahko le bogati. (Anon)

Rastoča industrija poskrbi, da radijski sprejemniki prodro v hiše in domove. Oddajne postaje pa priskrbijo vsebino: obvestila, poročila, predavanja, intervjuje, govorne igre, prenose športnih tekem in – nadvse čislano – živo glasbo iz studijev in koncertnih dvoran. Ljudem se odpre svet. Nikoli več ne bo tako, kot je bilo.

40.9 Televizija

Opis slike

Če že prenašamo zvok po radijskih valovih, zakaj ne bi prenašali še slike? Saj je slika – recimo tista na zaslonu fotografske kamere – pravzaprav zaporedje vrstic in vsaka vrstica je zaporedje različno svetlih točk. Potrebujemo "le" pripravo, ki bo otipala sliko vrstico za vrstico in zgradila ustrezajoč električni video signal. Pa tudi pripravo, ki bo iz video signala izvlekla zaporedne vrstice in jih narisala drugo pod drugo na primeren zaslon. Prenos video signala od prve priprave do druge – vključno z modulacijo in demodulacijo – pa je seveda prav tak kot prenos avdio signala. Zahtevamo še, naj bralna priprava prebere sliko v delčku sekunde. Tako se slika na snemalnem zaslonu lahko spreminja in prav tako se bo spreminjala slika na prikazovalnem zaslonu. Na ta način bomo prenašali gibajoče se slike, video.

[Vrstična slika]

Slika 40.29 Slika kot zaporedje vrstic. Slika je dvodimenzionalno polje različno svetlih točk. Za prenos po linearnem kanalu (radijskem valu) jo je potrebno razdeliti na vrstice in te vrstice pošiljati drugo za drugo. Snemalna naprava mora zato sliko razkosati in predvajalna naprava jo mora znova sestaviti. (SlideShare)

Video kamera

Mnogo truda je potrebnega, da kot inženirji zamisel udejanimo in sestavimo uporabno video kamero. Osnova zanjo je fotografska kamera, ki ustvarja sliko na stekleni zadnji steni. Ta je na zunanji strani premazana najprej s prevodno (signalno) plastjo in nato še s fotoprevodno plastjo (tarčo). Slednja je tanka plast iz izolatorske mice, v kateri so natrosene drobne kroglice (0,025 mm) iz fotoprevodne snovi, recimo iz antimonovega trisulfida (SbS3) ali svinčevega monoksida (PbO). Svetloba preleti steklo in signalno plast ter vpada na kroglice, ki pri tem izsevajo elektrone. Močnejša svetloba izbije iz kroglice več elektronov. Izbite elektrone privlači signalna plošča, ki je pozitivna, in se po ozemljitvi takoj izločijo iz cevi. Na osvetljeni kroglici ostane drobcen pozitivni naboj in kroglica tvori s signalno ploščo nabit kondenzator. V tarči je tako vtisnjena vidna slika kot ploskovna porazdelitev pozitivnega naboja.

[Video kamera]

Slika 40.30 Snemalna cev v video kameri. Svetloba izbija elektrone iz fotoprevodne plasti in na njej vtisne sliko iz pozitivnih nabojev. Elektronski žarek otipa sliko vrstico za vrstico. Vsako naelektreno točko pri tem razelektri, kar se pokaže kot ustrezno velik tokovni sunek na izhodu iz cevi. (SlideShare)

Shranjeno sliko na kroglicah otipava elektronski žarek iz elektronskega topa. Usmerjajo ga okolišnje tuljave, podobno kot pri osciloskopu. Žarek razelektri nabito kroglico, ki jo zadene, in s tem povzroči ustrezen tokovni sunek iz signalne plošče. Tokovni sunek je enak naboju, ki je bil shranjen v kroglici. Razelektrena kroglica je pripravljena, da jo svetloba spet naelektri do naslednjega prihoda žarka. Izhodni tok iz signalne plošče se v pomožnih vezjih dopolni še s signali za začetek in konec vsake vrstice ter za konec vseh vrstic slike. To je video signal.

Video zaslon

Mnogo lažja je izdelava predvajalne naprave, ki sprejema video signal in ga riše na zaslon. Za to je primerna kar katodna cev, opremljena z vezjem/tuljavami za premikanje žarka na prav tak način kot v video kameri. Vezje mora prepoznati signale za začetek in konec vrstice ter za konec slike ter ustrezno premikati žarek. Jakost rišočega žarka pa je krmiljena z video signalom, ki je voden na posebno elektrodo tik ob izhodu iz elektronskega topa. Bolj kot je ta elektroda negativna, bolj je žarek oslabljen. Tako opremljena katodna cev je odličen video zaslon.

Televizijski oddajnik

Video signal iz video kamere se sproti pošilja v svet preko televizijskega oddajnika. Srce oddajnika je kristalni oscilator, ki tvori nosilni radijski val. Nanj se naloži video signal z amplitudno modulacijo. Hkrati se na podval, ki je glede na nosilni val frekvenčno zamaknjen, naloži še avdio signal iz mikrofona, in sicer s frekvenčno modulacijo. Oba vala se izsevata skupaj.

[Televizijski oddajnik]

Slika 40.31 Televizijski oddajnik. Video signal iz video kamere se naloži na nosilni radijski val. Doda se mu avdio signal iz mikrofona, nakar ga antena izseva v prostor. (SlideShare)

Televizijski sprejemnik

Izsevane radijske valove lovijo televizijski sprejemniki. Antena sprejemnika sprejema valovanja od vseh oddajnikov, uglaševalec iz te mešanice izbere željeno frekvenco (skupaj z njeno podfrekvenco), ojačevalec ju ojača, detektor razcepi na avdio in video signal, nakar se oba ojačita in vodita na zvočnik ter video zaslon.

[Televizijski sprejemnik]

Slika 40.32 Televizijski sprejemnik. Sprejemnik razcepi televizijski signal na video in avdio signal ter prvega prikaže na slikovni cevi in drugega v zvočniku spremeni v zvok. (SlideShare)

Tehnične značilnosti

Tipična televizijska slika je sestavljena iz 625 vrstic s po (4/3) · 625 "točkami". Žarek jo prebere/nariše 25-krat na sekundo. Človeško oko ne zaznava tako hitrih skokovitih sprememb in vidi zgolj gladko gibanje. V video signalu si torej sledi 625 · 625 · (4/3) · 25 ≈ 10 · 106 "točkovnih" jakosti na sekundo. Najvišja frekvenčna komponenta v video signalu je zato 10 MHz. Če jo hočemo vtisniti v nosilni val, mora imeti ta vsaj tolikšno frekvenco. Zato tudi delujejo televizijski oddajniki na zelo kratkih valovih okrog 100 MHz. Nosilna frekvenca za avdio signal je za okrog 5 MHz višja od nosilne frekvence za video signal. Oddajne moči dosegajo 100 kW.

Televizija in družba

Televizija nadgradi radio. Televizijski sprejemnik postane središče doma in okno v svet. In ker ljudje v glavnem iščejo razvedrilo in zabavo, se razmnožijo razne specializirane televizijske postaje, ki ljudem dajajo, kar pač ti hočejo, torej "razvedrilne" oddaje in igrane filme vseh vrst. Štiriindvajset ur na dan. Vse skupaj pa obilno začinijo s plačanimi oglasi, ki jih vstavljajo v najbolj neprimernih trenutkih.

[Televizija v hiši] Slika 40.33 Televizija nadgradi radio s slikami in postane središče doma. (Anon)

Svojo priložnost prepoznajo tudi politiki in drugi zavajalci človeškega mišljenja: nikoli v zgodovini še niso imeli takšne možnosti, da nagovorijo toliko ljudi naenkrat in jih poskušajo naplahtati na ta ali oni način: ne samo z glasom, temveč tudi s stasom. Podobno je z ekshibicionisti vseh vrst. "Poglej me!" je namreč ena izmed osnovnih otroških potreb in nekateri otroci pač nikoli ne odrastejo. Za pet minut slave, da se lahko pokažejo na televizijskih zaslonih, so pripravljeni storiti vse. Tako televizija poleg nespornih in sijajnih dobrobiti – vzgojnih, izobraževalnih in razvedrilnih – prinese tudi kopico slabosti, če se ne pazimo: neznansko izgubo časa, pasivizacijo in indoktrinacijo.

40.10 Magnetni zapis

Avdio signal iz mikrofona in video signal iz televizijske kamere se sproti nalagata na radijske valove in razpošiljata k sprejemnikom. Kakor hitro nastajata, tako hitro tudi izginjata. Kaj ne bi bilo krasno, ko bi ju znali kam shraniti? Potem bi ju lahko v prihodnosti spet poslušali in gledali. Ali pa bi ju naknadno, in morda celo večkrat, pošiljali sprejemnikom.

Kako shraniti časovno spremenljiv električni signal na izhodu iz mikrofona ali kamere? Tako, da na izhod priključimo primeren elektromagnet, ki dovajani električni tok "spreminja" v magnetno polje, in skozi to polje enakomerno vlečemo magnetibilni trak, da ga polje magneti. Močnejši električni tok povzroči močnejšo namagnetenost traku. Magnetni zapis pa kasneje beremo z obratnim postopkom: namagneteni trak vlečemo mimo elektromagneta, v katerem se zato inducira električna napetost med koncema tuljave. Izumili smo magnetni zapis in branje električnega signala.

Magnetofon

Od zamisli do dobro delujoče naprave je seveda trnova pot. Najprej se osredotočimo na avdio signal. Kot primeren za zapisovanje se pokaže podkvast elektromagnet iz laminiranega mehkega železa in z ozko režo med poloma. To je magnetna glava. Tik pod režo magnetne glave teče trak od enega na drugi vrteči se kolut. En kolut je vlečni; poganja ga primeren enosmerni elektromotor. Trak je iz plastike in je premazan s slojem, ki vsebuje drobne delce Fe2O3 ali CrO2. Za zapisovanje zvoka do frekvence 20 kHz zadošča, da se giblje trak s hitrostjo nekaj centimetrov na sekundo. Zapisovalna glava služi tudi kot bralna glava. Primeren ojačevalec skrbi, da je tok v zapisovalno glavo (iz mikrofona) ali iz bralne glave (do zvočnika) dovolj velik. Tako smo sestavili magnetofon.

[Magnetni zapis] Slika 40.34 Magnetna zapisovalna glava in trak. Električni tok skozi elektromagnet bolj ali manj namagneti pod njim tekoč trak. (What-When-How)

Trak, na katerem je posnet zvok, lahko znova uporabimo za zapisovanje. To omogoča dodatna brisalna glava pred bralno/zapisovalno glavo, ki trak razmagneti, to je, ga namagneti z zvokom frekvence nad 20 kHz. Takega zvoka ne slišimo.

Magnetoskop

Za zapis videa v televizijski ločljivosti je potrebna frekvenčna širina okrog 5 MHz. Trak bi se zato moral gibati s hitrostjo preko deset metrov na sekundo, kar je mehansko nesprejemljivo. Zapis videa vzdolž traku zato ni mogoč. Kaj pa zapis prečno ali poševno na trak? Slednje omogoča zapisovalna glava na poševno usmerjenem vrtljivem valju. Ko se valj vrti, zapisuje glava na trak poševno sled. Vzdolž ene sledi so zapisane vse vrstice posamične slike. Še bolj praktično je, da sta na valju dve glavi; ena zapisuje sode in druga lihe vrstice slike.

[Magnetni boben] Slika 40.35 Vrtljivi boben z dvema magnetnima glavama. Pri enem obratu bobna zapiše vsaka glava eno poševno sled. Vzdolž ene sledi so zapisane vse sode vrstice in vzdolž druge vse lihe vrstice posamične slike. (Anon)

Tipičen valj ima premer nekaj centimetrov in se vrti s 25 obrati na sekundo, trak pa se giblje s hitrostjo nekaj centimetrov na sekundo. Širina video sledi na traku znaša okrog 0,05 mm in njena dolžina nekaj centimetrov. Ob enem robu traku se zapisujejo še sinhronizacijski imulzi in ob drugem zvok. Za oboje poskrbita ustrezni mirujoči glavi. Branje videa in zvoka s traku poteka podobno kot zapisovanje – preko istega vrtljivega bobna in glav. Nabor glav zaključuje mirujoča brisalna glava, s katero je mogoče brisati video sledi, avdio sled ali oboje skupaj.

40.11 Radiosonde

Seveda zvok in slika nista vse, kar lahko prenašamo po radijskih valovih. Prenašamo lahko kakršenkoli električni signal, recimo "elektrificirane" izmerke raznih merilnikov, na primer termometra. Poskrbeti moramo le za pretvorbo izmerjene količine, na primer temperature, v električni signal.

Vremenske sonde

Takoj nam pade na misel, da bi na opisani način lahko udobno merili tlak, temperaturo in vlago v ozračju. Obesimo, v mislih, na balon škatlo z ustreznimi merilniki/pretvorniki in majhen oddajnik na baterijo ter vse skupaj spustimo. Balon se bo dvignil v višave in sproti meril ter oddajal podatke o navedenih treh količinah. Na tleh pa bomo to sprejemali in beležili. Zamislili smo si radiosondo.

[Vremenska sonda] Slika 40.36 Vremenska sonda. Helijev balon ponese v višave škatlo z merilniki za tlak, temperaturo in vlago ter z radijskim oddajnikom, ki sporoča izmerke sprejmniku na tleh. (NOAA)

Kot raziskovalci v državnih meteoroloških službah zamisel hitro uresničimo. Za primernega se pokaže balon iz tankega lateksa, napolnjen s helijem do premera okrog 1,5 m. Tak balon ima dovolj vzgona, da dvigne breme 1 kg od tal do višine preko 30 kilometrov. Ker pri tem prihaja v območje čedalje nižjega tlaka, se razpenja in na koncu poči. Pritrjeno padalo poskrbi, da preostanki padejo na tla brez škode.

V škatli pod balonom so že spoznani merilniki: aneroidni barometer, bimetalni termometer in higrometer na las. Ročica, pritrjena na barometrsko komoro, premika eno izmed plošč pridruženega kondenzatorja in mu s tem spreminja kapaciteto. Termometer in higrometer na podoben način premikata vsak svoj kondenzator. Poseben urni mehanizem z vrtečo se kontaktno ročico priključuje naštete tri kondenzatorje, enega za drugim, vzporedno h kondenzatorju nihajnega kroga oddajnika. Nihajnemu krogu se zato spreminja kapaciteta in s tem frekvenca. Radijski val oddajnika je torej frekvenčno moduliran. Amplitudna modulacija ni dobra, ker se sonda oddaljuje in se na tleh sprejemana amplituda zato manjša. Sprejemnik na tleh signal demodulira in ga preko elektromagneta in premičnega peresa riše na papirni trak.

Iz izmerkov narišemo navpični profil ozračja. Pove nam, med drugim, koliko je ozračje stabilno, to je, kolikšna je verjetnost, da se v njem razvije konvekcija. Vsakodnevno spuščanje vremenskih sond postane rutinsko opravilo meteoroloških služb na kopnem in na prekooceanskih ladjah.

40.12 Mikrovalovi

Dipolne radijske antene sevajo v vse smeri. Včasih pa si zaželimo, da bi vzpostavili radijsko povezavo zgolj med dvema stalnima točkama, recimo iz doline, kjer je "vir informacij", na vrh hriba, od koder bi jih potem oddajali na vse strani. Za to potrebujemo usmerjeni parabolični anteni na obeh točkah: oddajno in sprejemno. Širina snopa θ, v katerega seva parabolična antena s premerom D, je določena z uklonom valov na njenih robovih [38.14]: θλ/D. Za ozke snope so torej potrebni kratki valovi in velike antene. Več kot desetmetrske antene so že nepraktične. Da seva desetmetrska antena v kot ene stopinje, pa so potrebni valovi reda velikosti ∼ 10 cm, torej mikrovalovi.

Ko poskušamo s triodnim oscilatorjem tvoriti radijske valove s frekvenco nad ∼ 100 MHz, to je z valovno dolžino pod ∼ 3 m, naletimo na težave; motiti začneta kapacitivnost med elektrodama (ne moremo je dovolj zmanjšati) in preletni čas elektronov. Izumiti moramo nov tip mikrovalovnega oscilatorja in ojačevalca.

Oscilator

Spomnimo se na stojno valovanje v resonančnih votlinah. Kaj ko bi elektronko – skozi katero teče curek elektronov – ovili s toroidno votlino; morda bi se v njej vzbudilo stojno valovanje, ki bi ga potem odvajali skozi majhno odprtino. To je približno tako, kot če pihamo zrak mimo ustja steklenice, da zazveni. Številni poskusi vodijo do refleksnega klistrona.

[Refleksni klistron]

Slika 40.37 Refleksni klistron. Pospešeni elektronski curek teče proti negativni anodi in se od nje odbija nazaj. Pri tem teče mimo torusne votline in v njej vzbuja stoječe mikrovalove. Te odvzemamo skozi posebno odprtino in vodimo po koaksialnem kablu. (AAC – All About Circuits)

Izvorni curek elektronov je hitrostno homogen. Ko pa leti mimo ustja votline, v kateri je stojno valovanje, se nekateri elektroni dodatno pospešijo, drugi pa zavrejo, kakršno električno polje pač že srečajo ob ustju. Currek postane zaporedje zgoščin in razredčin. Ko se odbije od anode, te zgoščine spet priletijo do ustja, vplivajo na polje in poniknejo skozi kolektor/ozemljitev. S primerno dolžino elektronke in s primerno anodno napetostjo poskrbimo, da prideta curek in polje v resonanco: vsaka zgoščina prispe k ustju votline tedaj, ko ji polje nasprotuje, in jo zato zaustavi. Kinetična energija elektronov se prenese v energijo polja. Majhna zanka v resonančni votlini deluje kot sekundarni ovoj transformatorja in odvaja del energije v koaksialni kabel – dve žici, "ena znotraj votle druge". Moč mikrovalov, ki potujejo skozi kabel, izmerimo s priključenim termočlenom. Tako zgradimo refleksne klistrone z močmi med 1 mW in 1 W ter s frekvencami med 1 in 100 GHz.

Ojačevalec

Poleg mikrovalovnega oscilatorja potrebujemo še mikrovalovni ojačevalec. Dobimo ga tako, da k obstoječi torusni votlini dodamo še eno ali več zaporednih enakih votlin. Mikrovalove dovajamo v prvo votlino in jih odvzemamo iz druge (ali zadnje). Delovanje je podobno kot pri refleksnem magnetronu, le da curka ne odbijamo, ampak ga kar posrkamo v kolektor/ozemljitev. To je večvotlinski klistron. Po zgledu "navadnega" radijskega ojačevalca lahko del izhoda tudi vodimo po koaksialnem kablu na vhod in dobimo mikrovalovni oscilator, torej alternativo refleksnemu klistronu. Dvovotlinski klistroni dosegajo ojačanje 102, večvotlinski pa celo do 106. Izhodne povprečne moči dosegajo 1 kW. Temu ustrezna morata biti enosmerni izvor moči in hlajenje kolektorja.

[Klistron]

Slika 40.38 Dvovotlinski klistron. Prva votlina poskrbi za grupiranje elektronov, druga pa jim resonantno odvzema energijo. (AAC – All About Circuits)

Usmernik

Kakor vakuumska trioda ne zmore ustvarjati mikrovalov, tako jih tudi vakuumska dioda (priključena med os in plašč koaksialnega kabla) ne zmore izravnavati. Zato tudi ne moremo z galvanometrom meriti jakosti visokofrekventnih tokov na izhodu ali odcepu iz kablov. Morda pa obstaja kakšna snov, kristal, ki bi električni tok – enosmerni, nizkofrekventni in visokofrekventni – prevajala (vsaj deloma) anizotropno? Raziskave odkrijejo, da so takšni, med drugim, kovinski sulfidi. Najboljše rezultate pa pokaže silicijev kristal, ki se ga dotika tanka, priostrena kovinska žica ali igla. To je kristalna dioda. Deluje pri vseh frekvencah, tudi mikrovalovnih. Zakaj sploh deluje, nam zaenkrat ni jasno, ampak za uporabo to ni potrebno.

(De)modulacija

Mikrovalove zmoremo torej ustvarjati (s klistronom), usmerjeno izsevati (z oddajno anteno) in zaznavati (s sprejemno anteno in kristalnim detektorjem). Za prenos zvoka in slike pa jih moramo še modulirati in demodulirati. Tukaj nas elegantno reši frekvenčna konverzija [40.8]. Z "navadnim" radijskim oddajnikom ustvarimo modulirane radijske valove IF, nato pa te valove v frekvenčnem mešalcu (s kristalnimi diodami) pomnožimo z mikrovalovi LO iz mikrovalovnega oscilatorja (refleksnega klistrona) ter pridobimo modulirane mikrovalove RF. Modulacija se pri tem ohranja. Po potrebi te valove še ojačimo z mikrovalovnim ojačevalcem (klistronom). Primer: iz IF = 30 MHz in LO = 1,000 GHz dobimo RF = 1,030 GHz. Podobno je pri demoduliranju. Prejete valove RF vodimo v mešalec, kjer jih pomnožimo z LO in dobimo IF. Tega pa obdelamo z "navadnim" radijskim sprejemnikom.

40.13 Radar

Princip radarja

Vemo, da se radijski in svetlobni valovi odbijajo od ovir. To velja tudi za mikrovalove, ki jih izseva mikrovalovna antena. Če tak mikrovalovni snop zadene, na primer, ob sovražno letalo, se bo od njega odbil v vse smeri, tudi nazaj. Kaj, ko bi poskušali zaznati odbite valove? Če bi v izbrano smer izsevali kratek paket mikrovalov in izmerili zakasnitev t njegovega morebitnega odmeva, bi s tem določili tako smer kot oddaljenost r morebitnega letala: r = ct/2. Z vrtečo se anteno pa bi določili lege letal v vsej okolici. Izumili smo (vojaški) radar.

[Radar]

Slika 40.39 Princip radarja. Oddajnik tvori mikrovalove, antena jih izseva in sprejema odmeve, sprejemnik pa jih ojačuje in prikazuje na katodnem zaslonu. (FAS – Federation of American Scientists)

Tehnična izvedba

Tehnična izvedba radarja je naslednja. — Navaden kvarčni oscilator s pomožnim vezjem nenehno ustvarja zaporedje ostrih prožilnih impulzov. — Mikrovalovni oscilator nenehno tvori mikrovalove in jih uvaja v mikrovalovni ojačevalec. — Enosmerni vir visoke napetosti stalno polni verigo vzporedno vezanih kondenzatorjev. Vzporedno k verigi je priključena s plinom napolnjena trioda, tiratron. Njena mrežica je na zaporni negativni napetosti in skozi triodo ni toka. Ko na mrežico dospe pozitiven prožilni signal, postane trioda prepustna in nabrani naboj na kondenzatorjih se začne pretakati skoznjo v visokonapetostni transformator in naprej v ojačevalec mikrovalov. Pretakanje je silovito in traja le kratek čas, toliko, da napetost na triodi pade pod prevodno vrednost. Po tem postane trioda neprevodna in začne se vnovično polnjenje kondenzatorjev. — S prejeto močjo tvori mikrovalovni ojačevalec kratek paket mikrovalov. — Ko tečejo mikrovalovi po valovodu mimo odcepa proti sprejemniku, morajo slednjega "zapreti". Med sredico in plaščem odcepnega koaksialnega kabla je priključena s plinom napolnjena dioda, tlivka. Mimobežno valovanje jo prižge in s tem kratkostično sklene vhod v sprejemnik. V sprejemnik zato ne prodre nič valovanja in ga ne more sežgati. — Ko se paket popolnoma izseva, tlivka ugasne in pot odmevom v frekvenčni mešalec je odprta. Drugi vhod v mešalec je lokalni mikrovalovni oscilator, ki deluje na rahlo različni frekvenci od oddajnega oscilatorja. Posebno vezje skrbi, da je ta frekvenčni zamik konstanten. Frekvenčno znižani izhod iz mešalca potem obdela navaden radijski sprejemnik. — Prožilni signal, ki sproži kondenzatorsko razelektritev, sproži tudi časovno bazo na standardnem osciloskopu. Odmevi iz sprejemnika se vodijo na odklonske plošče osciloskopa in se narišejo kot porazdelitev odmevov po razdalji. — Bolj pregledno pa se radarski odmevi prikažejo na katodnem zaslonu z radialno preletno črto. Smer preleta je določena z usmeritvijo antene. Odmevi se rišejo vzdolž črte bolj ali manj svetlo. Poseben premaz zadrži sliko nekaj sekund.

[Radarski zaslon] Slika 40.40 Slika na katodnem zaslonu radarja. Viden je katodni žarek in dolga veriga nevihtnih oblakov, ki jo je zarisal pri svoji rotaciji. (FAA – Federal Aviation Administration)

Uporaba radarja

Radarji, sprva namenjeni odkrivanju sovražnih letal, takoj najdejo pot v civilno uporabo. Civilni radarji delujejo z valovnimi dolžinami med nekaj centimetri in nekaj deset centimetri, z najrazličnejšimi širinami in oblikami snopov ter z raznovrstnimi dolžinami impulzov, frekvencami impulzov in oddajnimi močmi. Tipične vrednosti radarskih parametrov so naslednje: valovna dolžina 5–10 cm; širina snopa 1–2°; frekvenca impulzov 250–1000/s; dolžina impulza 1–3 μs; vršna moč v impulzu 10–1000 kW; povprečna moč sevanja 10–1000 W; najmanjša zaznavna moč 10−14 W (!). Ladje z radarji tipajo okoli sebe skozi noč in meglo ter odkrivajo druge ladje, čeri in ledene gore. Letališča opazujejo zračni prostor nad seboj in skrbijo za red pri preletanju, pristajanju in vzletanju letal. Vremenske službe opazujejo odmeve od dežnih kapljic in ledenih zrn v oblakih ter določajo lego ter gibanje nevihtnih oblakov. Uspe jim celo meriti jakosti padavin pri tleh. Prav tako sledijo dvigovanju vremenskih sond ter določajo smer in hitrost vetrov na različnih višinah. In astronomi uspejo izmeriti odmeve od Meseca ter bližnjih planetov ter tako potrdijo njihove oddaljenosti.

40.14 Sonar

Pod vodo radar žal ne dela, ker je dušenje mikrovalov premočno. Se pa skozi vodo dobro širi zvok. Kaj, ko bi naredili "radar" na zvočne valove? Recimo mu sonar.

[Sonar]

Slika 40.41 Shema sonarja. Od radarje se razlikuje le po tem, da namesto elektromagnetnih valov izseva in prejema zvočne valove. (FAS – Federation of American Scientists)

Ker so frekvence zvoka in ultrazvoka mnogo nižje od radijskih frekvenc, lahko za oddajno in sprejemno vejo sonarja uporabimo kar navadne radijske komponente in ni potrebe po mikrovalovnih komponentah. Namesto antene ima sonar kupolo, v kateri so nameščeni bati. Vsak bat je povezan s piezolektričnim kristalom v kondenzatorju ali z magnetostrikcijskim jedrom v tuljavi. Nihajoče polje kondenzatorja ali tuljave povzroči nihanje bata in obratno. Kako je izsevani zvočni impulz usmerjen, je določeno s faznimi razlikami med bati. S posebno pripravo (vrtljivo ploščo na kontaktni podlagi) lahko opazovalec ročno nastavlja časovne zakasnitve oz. fazne zamike batov, to je določa smer izseva. Ploščo lahko vrti tudi elektromotor. Izmerki se rišejo na katodni zaslon in/ali na papirnat trak.

Hitrost zvočnih valov v vodi znaša 1500 m/s. Sonarji delujejo na frekvencah med 10 in 100 kHz, kar pomeni z zvočnimi valovnimi dolžinami med 10 in 1 cm. Tipične moči v impulzu znašajo 1 kW. Čim krajši so zvočni valovi, tem bolj so dušeni. Uporabni doseg sonarja je med 500 m (100 kHz) in 5000 m (10 kHz). Tipične širine snopov pa znašajo med 10 in 45 stopinjami.

Tudi sonar je bil razvit za vojaško uporabo, predvsem kot "zvočno oko" podmornic. Drugače pa sedaj z njim merimo globino morja pod ladjami, da se zavarujemo pred nasedanjem. Izdelamo tudi karto hribovitosti morskega dna. Če sonar postavimo na dno in usmerimo navzgor, lahko merimo višino valov. Ribiči pa ga uporabljajo za odkrivanje ribjih jat. Pri tem štejejo predvsem odmevi od ribjih zračnih mehurjev.

Dolgo preden je človek izumil sonar, ga je narava oblikovala v živalih. Z zvočnimi "kliki" se orientirajo in lovijo kiti, delfini in netopirji. V marsikaterem pogledu so njihovi sonarji celo boljši od naših. Od njih se moramo še marsičesa naučiti.

40.15 Družbeni vpliv

Elektronska revolucija

Kakor sta indukcijski generator in transformator sprožila elektrifikacijo držav in s tem popolnoma spremenila življenje ljudi, tako sta preprosta dioda in trioda omogočili razvoj elektronike in povzročili še večje spremembe v družbi. Brez teh dveh skromnih elementov ne bi bilo svetovne časovne službe, brezžičnih komunikacij v kopnem, ladijskem in letalskem prometu in, zlasti, nobenega radija in televizije po domovih v razvitih državah. Težko si je predstavljati življenje brez vseh teh naprav. Samo sprašujemo se lahko, kaj bo v nadaljnjem razvoju znanosti in tehnike še pustilo podoben družbeni pečat. □